Lebenslicht

LeLi

Wer wollte nicht schon immer mal etwas völlig Sinnloses bauen? Hier ist ein solches Projekt. Das Projekt ist uralt, die Schaltung geht zumindest teilweise auf meinen Freund Lutz Zienert zurück. Vor vielen Jahren aufgebaut in diskreter Technik und in ein kleines Schächtelchen gesetzt, diente sie damals schon als Orientierungsblinker mit den ersten LEDs, die so für den Bastler erschwinglich geworden waren.

Es handelt sich um einen simplen LED-Blinker. Klar, LED-Blinker gibt's wie Sand am Meer... Inzwischen kann man LEDs kaufen, die gleich von sich aus blinken. Dennoch, dieses Projekt ist ein klein wenig anders als andere LED-Blinker.

Warum Lebenslicht?

Der Name rührt vor allem daher, daß die Stromentnahme aus der Spannungsquelle recht gering ist, da nur der Ladestrom des Kondensators entnommen wird, nicht aber der Strom für das Leuchten der LED selbst. Da alternde Batterien über lange Zeit ihr Spannungsniveau noch recht gut halten können und lediglich ihr Innenwiderstand drastisch zunimmt, kann man den Blinker selbst an einer ,,leeren'' Batterie noch recht lange betreiben -- er hält ,,ein Leben lang''.

Funktionsweise

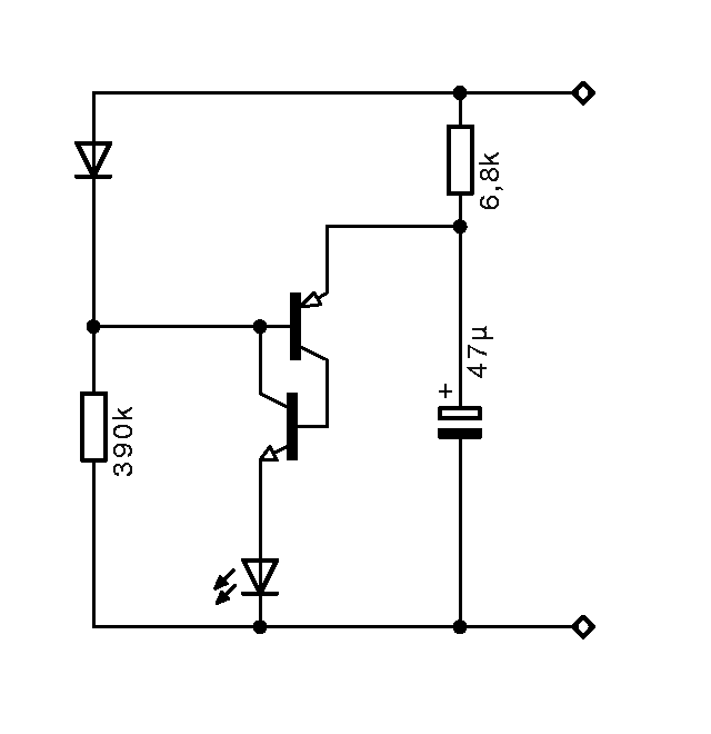
Zeichnung

Der Ladekondensator wird über den 6,8 kOhm Widerstand allmählich aufgeladen. Der 390 kOhm Widerstand zusammen mit der Diode (einziger Ruhestrom der Schaltung) bietet dem pnp-Transistor ein Vergleichspotential an seiner Basis. Wenn der Spannungsabfall über dem Ladewiderstand sehr gering wird, steuert der 390 kOhm Widerstand den pnp-Transistor durch. Dessen Kollektorstrom wiederum steuert den npn-Transistor auf, der seinerseits den pnp-Transistor ebenso weiter öffnet. Es entsteht ein Lawineneffekt (Pseudo-Thyristor), so daß der Kondensator innerhalb kurzer Zeit über die LED entladen wird: ein kurzer Lichtblitz entsteht. Am Ende des Blitzes schließt der Pseudo-Thyristor wieder, und der Vorgang beginnt von neuem.

Thomas Prinz hat mir den folgenden Link ins Elektronik-Kompendium nahegelegt, der den Thyristor-Effekt näher erläutert. Dort finden sich noch weitere Links zu Thyristoren allgemein, auch sonst ist das ElKo eine gute und empfehlenswerte Informationsquelle.

Die genannte Dimensionierung soll lediglich Anhaltspunkte liefern. Logischerweise bestimmt die Kapazität des Kondensators zusammen mit der Spannungslage der Batterie die Intensität des Lichtblitzes. Der Ladewiderstand bestimmt wesentlich die Blinkfrequenz, zusammen mit dem Kondensator. Der 390 kOhm Widerstand soll einerseits so gering wie nötig sein, daß die Schaltung gerade noch funktioniert (da er ja den Ruhestrom bestimmt), andererseits muß er so gewählt werden, daß die Schaltung im gesamten gewünschten Spannungsbereich noch arbeitet.

Ins heutige Zeitalter gerettet, wurde die Schaltung mit SMD-Bauteilen realisiert. Die Bauteile können dabei großteils von abgelötetem Elektronikschrott recyclet werden (vorsichtig mit der Heißluftpistole ablöten). Die Platine mißt damit nur noch 20 x 10 mm² und paßt unmittelbar an eine 9V-Blockbatterie (6F22) oder an eine Flachbatterie (3R12). Eine ,,leere'' Flachbatterie kann damit oft noch Laufzeiten von 6 Monaten bis 1 Jahr erreichen.

Die Platinenzeichnung kann als PDF-Datei geladen werden. Sie ist spiegelverkehrt ausgeführt, so daß sie bei Ausgabe auf einem üblichen Drucker mit der bedruckten Seite auf die Leiterplatte gelegt werden kann. Achtung: in der Platine wurde die Umrandung mit ausgegeben, die in dieser Form einen Kurzschluß bilden würde. Beim abschließenden Zuschnitt muß daher darauf geachtet werden, daß die Reste der Umrandung sorgfältig entfernt werden.

An Stelle einer Bestückungszeichnung sei auf das Platinenfoto verwiesen.

PCB

Jörg Wunsch
Last modified: Tue Dec 9 14:38:56 CET 2003